CONTOH SIMULATOR MICROKONTROLLERATmega-16 BASCOM dan PROTEUS
1. Download Software BASCOM 2.0 di https://bascom-avr.apponic.com/download/
2. Install dengan cara doubele click software yang sudah di download
3. Hasilnya :
4. Tuliskan pada bagian Atas Program pada Deklarasi Header bahwa kita menggunakan IC ATmega16.
$regfile = "m16def.dat" 'jika menggunakan ATMEGA16
$regfile = "m328def.dat" 'jika menggunakan ATMEGA328
$regfile = "m8535.dat" 'jika menggunakan ATMEGA8535
5. Ketika $regfile = "m16def.dat" di Enter maka akan bereaksi menampilkan IC yang kita Pakai:
6. Selanjutnya menuliskan program sesuai dengan Rangkaian.
7. Program untuk menguji Lampu LED menyala dan Padam tuliskan pada Editor BASCOM kemudian di Compile:
'--------------------------------------------------------
'Program LED berkedip
'--------------------------------------------------------
'DEKLARASI CRISTAL
'--------------------------------------------------------
$crystal = 8000000
'--------------------------------------------------------
'DEKLARASI HEADER
'--------------------------------------------------------
$regfile = "m16def.dat" 'jika menggunakan ATMEGA16
'--------------------------------------------------------
'DEKLARASI VARIABEL
'--------------------------------------------------------
Dim Data1 As Byte
Dim Data2 As Byte
'--------------------------------------------------------
'PENDEFINISIAN PIN MIKRO
'--------------------------------------------------------
Config Portc = Output
'--------------------------------------------------------
' Program rutin utama
'--------------------------------------------------------
Data1 = 255
Data2 = 0
Do
Portc = Data1
Waitms 1000
Portc = Data2
Waitms 1000
Loop
End
8. Simpan dan Compile :
9. Hasinya akan dibuat beberapa jenis file seperti berikut:
10. Ujicoba Rangkaian dengan menghubungkan Proteus dengan File HEX hasil compile dari BASCOM dengan cara melakukan double click pada gambar IC microcontroller dan memuat file Hex dari folfolder yang dibuat di BASCOM.
11. Kemudian memilih CKSEL Fuses dengan clock 8 MHz jika sudah selesai Click OK.
12. Untuk ujicoba klick RUN Simulator ada tombol disebelah kiri bawah !
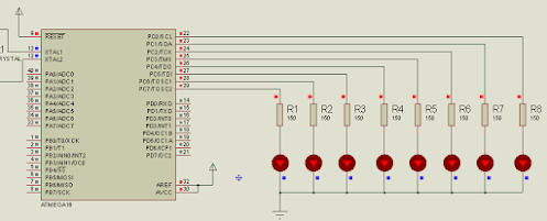
13. Maka hasilnya akan menampilakan LED menyala dan Padam
14. Ubah program dari Rutine Utama menjadi seperti dibawah ini :
'--------------------------------------------------------
'rutin utama
'--------------------------------------------------------
Data1 = 1
Data2 = 0
Do
Portc = Data1
Rotate Data1 , Left
Waitms 500
Portc = Data2
Waitms 500
Loop
End
15. Compile dan ambil program yang baru di compile dengan cara double click IC di Proteus dan arahkan ke Folder Bascom, lalu RUN di Proteus, hasilnya akan memberikan efek lampu bergeser seperti gambar berikut :
Demikian contoh Pertama menggunakan Simulator PROTEUS dan BASCOM untuk rangkaian penyalaan LED.









No comments:
Post a Comment
Silahkan memberikan komentar untuk perbaikan dan diskusi !
Note: Only a member of this blog may post a comment.